【技术干货】提高示波器信号保真度的解决方案

文章来源:KAMAX    时间:2025-09-18 09:42:54

自然界运行着各种形式的正弦波,比如海浪、地震、声波、爆破、空气中传播的声音,又或是身体运转的自然节律,这些能量、振动粒子和不可见的力无处不在,肉眼却无法看见。但通过传感器,这些力可以转变为电信号,在示波器上进行观察和研究。

示波器是一种广泛应用于电子测量的仪器,是任何设计、制造或是维修电子设备的必备之物,其用途不仅仅局限于电子领域,还可以利用信号变换器,适用于各种各样的物理现象。如电子设备一样,示波器也可分为模拟和数字类型,两种示波器均能够胜任大多数的应用,但是对于一些特定应用,由于两者具备的不同特性,因此应用场景也略有不同。


其中,数字示波器通过采集波形,调节模拟垂直放大器中的输入信号,采样模拟输入信号,使用模数转换器(ADC或A/D)把样点转换成数字表示方式,把采样的数字数据存储在存储器中,然后重建波形,最终在显示器上查看波形。


一整套流程使示波器拥有确定系统的运行状态以及是否正常工作;分析某个电器或某段电路的故障,直指故障所在;测试控制单元之间的网络通信情况;可显示更准确、更形象的电子信号全貌等优点和作用,同时也带给示波器核心性能指标带来更高的要求。

对数字示波器来说,其核心性能指标包括带宽、采样速率和存储深度,其中带宽直接影响了示波器可测量和显示频率的范围,也是最具挑战的一环。带宽不足的具体影响表现在以下两个方面:

由低带宽导致主要谐波分量消失,使原本规则的波形呈圆弧状接近正弦波;

低带宽给波形的上升时间和幅度的测量带来较大的误差。


针对以上痛点,新汉科技的国产芯片代理线事业部联合国内半导体原厂推出数字示波器解决方案,助力示波器保证信号的保真度和测量的准确度,方案包含:

放大器:LTA8091——22MHz带宽的精密运算放大器
FPGA:EQ6HL130、EQ6HL45——标准40nm CMOS工艺设计加工的FPGA


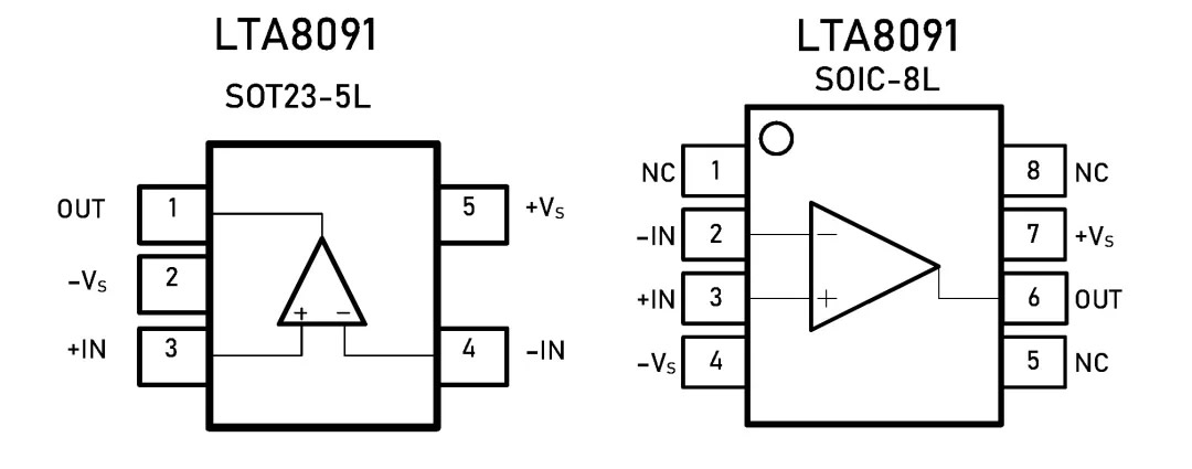
LTA8091
放大器芯片作为前端模拟电路核心,限定了示波器模拟信号处理能力的极限,它能够实现对模拟信号的阻抗变换、偏置控制等功能,甚至直接决定了示波器最重要的参数:带宽。LTA8091是先积集成推出的高电压、低噪声的精密运算放大器,在精密数据采集应用中,LTA8091可提供到2μS到0.01%精度的快速稳定时间。这种卓越的交流性能,加上仅有100µV(最大)偏移和低温漂,使LTA8091系列非常适合快速,高精度的应用。

单通道LTA8091是单电源、22MHz带宽放大器,具有轨到轨输入和输出的特性,可采用+4 V至+48V(或±2V至±24V)电源供电。此外,LTA8091的鲁棒设计为工程师提供了易用性,该器件电压工作范围4-48V,且集成射频/电磁干扰的抑制滤波器,在过驱条件下无相位反转。另外,单通道LTA8091是采用5引脚SOT-23和8引脚SOIC封装。


EQ6HL130、EQ6HL45

前文我们有提到示波器的运作流程是经过高速ADC后的数据再通过FPGA进行处理,接着送到后面的控制器,再在LCD显示屏上显示出来,而在此过程中,触发、测量电压、频率等参数都在FPGA内实现。EQ6HL130、EQ6HL45是中科亿海微推出的基于静态存储器结构的FPGA产品,具有大容量、高性能、高性价比的特点,足以直接替代大部分海外品牌的产品。

EQ6HL130主要特性:
基于标准40nm CMOS工艺设计加工;
具有高速时钟管理功能、丰富的I/O资源、支持多种配置方式等特点;
阵列规模为164×100,其中100列逻辑阵列,系统门容量达到1360万门;
具有136000个4输入LUT;
具有136000个可编辑寄存器;
具有1200个4.5Kbit的嵌入式存储器单元(包含奇偶数校验位),最大课实现5400Kbit的双端口RAM;
具备192个高速18bit×18bit乘法器。


EQ6HL45主要特性:
基于标准40nm CMOS工艺设计加工;
具有高速时钟管理功能、丰富的I/O资源、支持多种配置方式等特点;
阵列规模为92×56,其中76列逻辑阵列,系统门容量达到425万门;
具有42500个4输入LUT;
具有42500个可编辑寄存器;
具有392个4.5Kbit的嵌入式存储器单元(包含奇偶数校验位),最大课实现1764Kbit的双端口RAM;
具备56个高速18bit×18bit乘法器。



当然,除带宽解决方案外,新汉科技亦可为客户提供一套完整的示波器解决方案,部分内容可参考下图:


得益于国产半导体的大好发展趋势,国内半导体行业逐渐取得了技术领先优势,打破技术壁垒,也逐步打破了海外企业常年在电子测量仪器领域的垄断局面。新汉科技国产品牌代理线事业部推出的数字示波器的产品方案几乎可由国产芯片完全覆盖,针对低中高端产品线亦有不同解决方案,在提升示波器性能的同时也更具价格优势,可帮助客户打造更具市场竞争力的产品。
上一个:
打破垄断,本土车规级MCU已经崛起
下一个:
低成本、低功耗的电子血压仪方案选型推荐

  1. 0755-21675350
  2. sales@kamaxtech.com
  3. 深圳市南山区西丽街道西丽社区兴科路 66 号乐普大厦西塔25楼

Copyright 2025 深圳市锴镁锐科技有限公司 All Right Reserved.

龙腾盛世提供网络技术支持